2022-07-15
Projekt rozbudowy instalacji ekspedycji
Utworzono: 15-07-2022
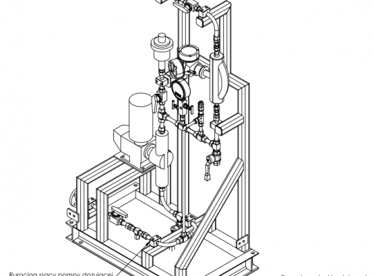
Kolejna inwestycja, która została wybudowana przez naszego Klienta. Zaczynaliśmy od koncepcji, a następnie projekt budowlany oraz wielobranżowa dokumentacja wykonawcza. Dalszy nadzór autorski i wsparcie inżynierskie podczas realizacji doprowadziło całą inwestycję do wybudowania i oddania do eksploatacji.



